
Дріт колючий Концертина
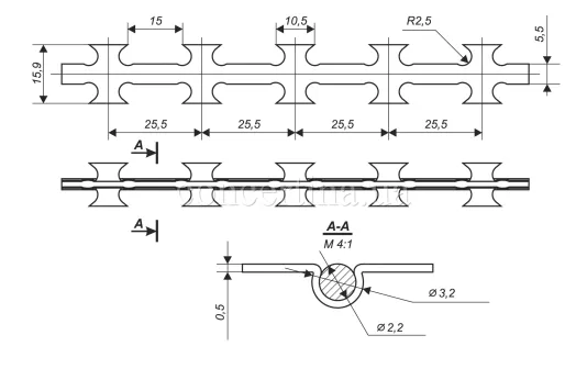
Колючий дріт Концертина є недорогим і ефективним аналогом звичайного колючого дроту. Дріт колючий Концертина виготовляється з штампованої колючої стрічки Концертина товщиною 0,45 мм і високовуглецевого дроту діаметром 2,2 мм. Готова армована колюча стрічка Концертина має діаметр 3,1 мм і використовується для виготовлення плоского та спірального бар'єру безпеки, колючої сітки та колюче-ріжучої дротяної сітки, а також для заміни звичайного колючого дроту.
Виробництво колючої стрічки і армованої колючої стрічки Концертина здійснюється на нашому підприємстві, що має повний цикл виробництва – від штампування колючої стрічки до виготовлення колюче-ріжучих загороджень різного типу. Крім того, нами здійснюється безкоштовна доставка колючого дроту Концертина покупцям, а також професійний монтаж колючого дроту на будь-яких об'єктах.
Колючий дріт Концертина використовується для виготовлення спіральних бар'єрів діаметром від 400 до 1500 мм, плоского бар'єру висотою 600 і 750 мм, колючої сітки 2х6,5 м, а також колюче-ріжучої дротяної сітки Концертина з трьох спіралей діаметром 1500 мм. Крім того, колючий дріт Концертина використовується для виготовлення парканів з колючого дроту, колючих огорож, козирків на парканах та в якості натяжного дроту при монтажі спірального бар'єру безпеки.