Перейти к основному содержанию

Скоба Стандарт

Скоба Стандарт для колючей проволоки Концертина
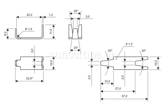
Длина скобы в развертке 37,0 мм
Толщина скобы 1,2 мм
Узнать цену

Скоба Стандарт для колючей проволоки Концертина

Скоба Стандарт предназначена для скрепления нитей колючей проволоки во всех типах колюче-режущих заграждений Концертина – плоское заграждение и спиральный барьер безопасности, колючая сетка и колюче-режущая проволочная сеть. Кроме того, скобы используются для монтажа всех видов заграждений из колючей проволоки Концертина на любых объектах. Скобы используются как для скрепления отрезков самих заграждений, так и для крепления их к натяжной проволоке, сетке или решетке забора.

Скоба Стандарт представляет собой изогнутый особым образом отрезок стальной ленты, имеющий «замок» конструкции «ласточкин хвост», обеспечивающий надежное скрепление нитей или витков колючей проволоки Концертина, а также их крепление к натяжной проволоке. Обжатие скоб типа Стандарт на колючей проволоке Концертина осуществляется ручными или автоматическими клещами специальной конструкции.

Скоба Стандарт изготавливается из рулонной оцинкованной стали толщиной 1,2 мм на автоматическом штамповочном оборудовании, обеспечивающем высокую производительность и качество изготовления скоб. Скоба Стандарт имеет ширину 10 мм и длину в развертке 37 мм, что позволяет надежно скреплять колюче-режущие заграждения Концертина любой конструкции. Специальная конструкция и цинковое покрытие скобы гарантирует высокую прочность и длительный срок службы колюче-режущих заграждений, изготовленных и установленных с использованием скоб этого типа.